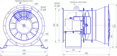
ВО-2,3-130 №11,2 18,5х1000
В категорию "Вентилятор осевой ВО – 2,3 – 130"











стоимость уточняйте
Наличие: В наличии
Описание
| Вентилятор | Кривая | Угол установки лопаток | Двигатель | Производительность | Полное давление | Масса |
| ВО 2,3-130 №11,2 | № 7 | 36° | 18,5кВт*1000об/мин | 47,9 - 68,0 тыс. м³/ч | 832-540 Па | 316 кг |
Характеристики
| Мощность двигателя, кВт | 18,5 |
| Частота вращения, об/мин | 1000 |
| Напряжение | 380В |
| Типоразмер вентилятора | №11,2 |
Вы недавно смотрели
Продолжая использовать сайт, вы даёте согласие на обработку файлов cookie и принимаете условия Политики конфиденциальности

